Cygnus Atratus
Intro

Achtung: extrem verschachtelte Sätze:
Beim Konzipieren meines »Lehmann-Clones« (siehe oben) habe ich einfach allen Niederschriften geglaubt: »passive RIAA-Entzerrung klingt besser als aktive.« Doch gibt es auch die Idee: »bei getrennter RIAA-Entzerrung kann man mehr beeinflussen.« Und das natürlich auch zum Guten. Da aber zudem die Prämisse gilt, alle unnötigen aktiven (und auch passiven, wenn’s recht ist) Stufen zu vermeiden, haben wir ein Problem: Alle kann man nicht befolgen. Entweder muss ein Teil aktiv entzerrt werden, die passive Entzerrung auf einen Schwung geschehen oder einen dritter OPV in den Signalweg. Lehmannaudio verfolgt bekanntlich den zweiten dieser drei Wege; Hagemann mit dem Bugle den dritten und ich habe, durch einen Leidensgenossen mit der entsprechenden Schaltung versorgt, den ersten versucht. Die Schaltung habe ich nch meinen Wünschen modifiziert und meine Lieblingsparallelregler drangepappt und fertich.
Um es kurz zu machen: das Ergebnis war richtig gut! Dabei habe ich allerdings beste Bauteile verwendet. Um nun herauszufinden, ob die Ursache bei der Schaltung oder den Bauteilen lag, habe ich am selben Netzteil erneut den »Lehmannclone« mit denselben erlesenen Bauteilen aufgebaut. Leider musste ich dabei, da die Schaltung nach größeren Kapazitäten verlangte, ausschließlich mit metallisierten Kondensatoren arbeiten, was das Ergebnis beeinflusst. Der Phonopre mit der gesplitteten RIAA-Entzerrung hat mnir besser gefallen…
Der Verstärker ist allein für MC-Tonabnehmer geeignet. Die Verstärkung hängt vom Innenwiderstand des Tonabnehmers ab, beträgt grob 50dB. Eine genaue Berechnung der Verstärkung im Excel-Blatt weiter unten. Wenn die 50dB nicht ausreichen sollten, kann der Impedanzwandler (Puffer) mit entsprechender Spannungsverstärkung ausgeführt werden.
Konkret
Ausgangspunkt des ganzen ist ein Vorschlag aus National Semiconductor App. Note 346 von 1985.

vereinfachte Darstellung der Schaltung aus www.national.com/an/AN/AN-346.pdf
Negativ fällt vor allem C0 (200uF … das wird doch nicht ein Elko sein?) auf. Dieser verringert die Verstärkung tiefster Frequenzen, um effektiv kaum Gleichspannung am Ausgang des ersten OPVs zu haben; bei guten OPVs ist da aber nur wenig Offset zu erwarten – und der spärliche Rest wird duch das Koppel-C C4 eliminiert.
Die zweite OPV-Stufe hat dieses »Feature« nicht, die geringe Verstärkung dieser macht das sicher überflüssig. Wenn wir schon dabei sind, (suspekte) Bauteile zu sparen, können wir die ohnehin geringe Spannungsverstärkung auch gleich auf 1 (also als Puffer) setzen. Dadurch fallen R4 und R5 komplett weg. Wieder Geld gespart. Das Ergebnis sieht dann so aus:
![]() |
||
… und so kann man sogar noch einen Widerstand sparen; dann allerdings ist dann der Verstärker invertierend (das ist akzeptabel), der Verstärkungsfaktor auch vom Tonabnehmer abhängig: und zwar nicht nur in der Höhe, sondern auch frequenzabhängig, da die Quellimpedanz ja keinen linearen Ohmschen Widerstand darstellt. Diese Variante funktioniert, erfordert aber Nachmessen und gegebenenfalls Korrigiueren des Frequenzverlaufes. Sie funktioniert nicht mit jedem MC-Tonabnehmer und in Abhängigkeit von dessen Eingangsimpedanz ist der verstärkungsfaktor enorm. Dieser lässt sich durch einen Reihenwiderstand von beispielsweise 47 Ohm zwischen Tonabnehmer und negativem Eingang von IC1 senken, zusätzlich wird der Frequenzverlauf geglättet. Die gesamte Beschaltung entspreicht nicht den Lehrbüchern, funktioniert aber und wird auch von manchen Herstellern verwendet (Stichwort: “Stromeingang”).

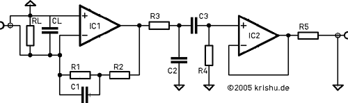
die Schaltung; ein Kanal, keine Spannungsversorgung gezeigt
RL: nicht bestückt
CL: nicht bestückt
IC1 (Eingang): superrauscharme Typen wie AD797, LT1028 etc.
IC2 (Ausgang): OPV mit FET-Eingang (OPA627 etc.), BUF634 oder diskreter Impedanzwandler.
R5: 50-100R
Alle Widerstände unmagnetische Metallfilm- oder Metallfolienwiderstände; alle Kondensatoren unmagnetische Polypropylen, Polystyren oder Polycarbonat-Folien-Cs; Kein Polyester, kein Glimmer, keine Keramik. Alle passiven Bauteile maximal 1% Toleranz. Die ersten drei Folientypen dürfen gemischt werden.
Massesymbole bedeuten: von hier separat zum Massepunkt führen. (also Eingang, CL und RL gemeinsam); R4 und C2 können auch zusammen zur Masse gehen.
Die getrennte RIAA-Entzerrung hat den Vorteil, dass man die Kondensatoren nicht im Verhältnis 1:3 braucht. Man kann also seine Lieblingskondensatoren aus der Bastelkiste nehmen und die entsprechenden Widerstände berechnen (lassen). Dazu hier eine Excel-Tabelle: riaa2005.xls.
Dabei gilt es zu beachten, dass die Impedanz schön im Lot ist, d.h. weder der Ausgang des OPVs unnötig stark belastet wird (zu große Kapazitäten) noch er einschläft (zu hohe Widerstände). In der Exceltabelle sind Richtwerte eingetragen.
Layout
Siehe hier
Das habe ich beachtet und so sieht das als Lochrasterversion dann aus:
mit anständigem pcb so:
|
||
Leiterplatte einseitig 80 x 100 mm, Datei auf Anfrage
so siehts dann bestückt aus.
Das ganze nochmals überarbeitet: Verstärkung und EIngangsimpedanzen per DIP-Schalter einstellbar, zweiseitiges Leiterplattenlayout, professionelle Herstellung (danke Sven!)
Bestückt sieht das wiederum so aus. Dabei ist die Spannungsregelung hier nicht “besetzt”, da die Phonostufe an einer Vorstufe mit deren Spannungsregelung hängt.
Das Bild habe ich schlecht ausgeschnitten, aber man erkennt, worum es geht: Anschlüsse und Einstellung von Eingangs-Impedanz und Verstärkung auf der Rückseite.Literaturwww.national.com/an/AN/AN-346.pdf die Quelle | the source |
Ähnliche Artikel
- Lehmann Clone
Historie Eine Phonostufe auf der Basis von rauscharmen Operationsverstärkern war mein allererstes Selbstbauprojekt im Hifi-Bereich, in der ersten Version dementsprechend noch nicht ganz optimal, aber dennoch besser als alles, was man für das eingesetzte Geld auch nur annähern fertig kaufen konnte. Später habe ich die Phonostufe bei Beibehaltung der zentralen Schaltung deutlich ausgebaut und... - Steinmusic Phono MM
Diese Phonostufe habe ich lediglich gebaut, um den Steinmusic Röhrenvorverstärker zu komplettieren. Verwendet habe ich – neben der Schaltung von Holger Stein (veröffentlicht 1993 in Klang&Ton) drei PCC88, die zuvor in den Stein-Endstufen steckten (also sozusagen “Original Steinmusic Röhren”) diverse “NOS” Folienkondensatoren von ERO Röderstein (MKP und KP für die Signale, MKT für die... - Heed Quasar Clone
2006 verirrte sich ein Heed Quasar in unser trautes Heim. Hätte ich andere Geräte sofort verschlimmbessert, war das in diesem Fall nicht so (will heißen: ich war zufrieden damit). Allerdings ergab es sich dann, dass ich den Quasar gern in ein anderes Gehäuse integriert hätte. Doch so ein schönes Gerät verbastelt man nicht. So habe... - Pass Labs Xono Clone
Einen echten Bedarf hatte ich eigentlich nicht dafür, jedoch drängten sich die von Nagard sehr sorgfältig entworfenen und professionell gefertigten Platinen der Pass Labs (x) ono clone Phonostufe irgendwie auf meinen überfüllten Basteltisch. Diese Phonostufe ist ein echtes Bauteilegrab — und kostet deshalb auch im Selbstbau ein wenig Geld, wenn auch keine € 8.000. Sowohl...





