Lehmann Clone

Historie
Eine Phonostufe auf der Basis von rauscharmen Operationsverstärkern war mein allererstes Selbstbauprojekt im Hifi-Bereich, in der ersten Version dementsprechend noch nicht ganz optimal, aber dennoch besser als alles, was man für das eingesetzte Geld auch nur annähern fertig kaufen konnte. Später habe ich die Phonostufe bei Beibehaltung der zentralen Schaltung deutlich ausgebaut und verbessert.
Weiterhin habe ich einen sehr feinen Phonoverstärker ebenfalls aus Operationsverstärkern, aber mit einer anderen Form der Entzerrung gebaut, Informationen dazu kann man hier nachlesen.
In der ersten Version ist das kleine runde Ding recht simpel aufgebaut: OP (Damals noch die originalen NE5534 von Philips) am Eingang, Subsonic-Filter bei 10 Hz, passive RIAA-Entzerrung, OP am Ausgang. Feste Eingangsimpedanz von 47 kOhm (also für MM) und feste Verstärkung. Als passive Bauteile wurden normale Metallfilmwiderstände und WIMA MKS-Kondensatoren verwendet. Das Netzteil liefert einfach geregelte +/- 15 Volt und ist war zunächst im gleichen Gehäuse wie die Signalschaltung untergebracht. Trotz einer Trennung in zwei geschirmte Gehäusekammern hat das vollständige Auslagern des Netzteils viele Punkte gebracht. Das Rauschen: weg. Ganz klar, dass sich die Signalschaltung jetzt besser um die kleinen Musikelektronen kümmern kann.
Weiter zum Gehäuse: In der Mitte befindet sich ein Streifen aus beidseitig verspiegeltem Acrylglas, in dem die Power-LED sich mehrfach spiegelt, so dass am Ende der ganze Streifen leuchtet. Das sieht sehr schick aus.
Obwohl nicht viel teurer tausendmal besser als die üblichen Low-Budget-Phonoamps; Sehr ähnlich dem Lehmann Black Cube, (es stellte sich heraus, dass das Schaltungskonzept recht ähnlich ist), weniger detailreich, aber dafür grooviger (kann man sich einreden).

links das separate Netzteil
Heute
Nach einigen Zwischenstufen hatte ich das Konzept für meine Möglichkeiten ausgereizt.
Der prinzipielle Aufbau wie bei meinem MM Phono Pre (siehe oben): Operationsverstärker, passive RIAA-Entzerrung, Operationsverstärker. Ermuntert hatte mich der (Test)Erfolg des Lehmann Audio Silver Cube, welcher im Wesentlichen diesen Weg beschreitet. Im Folgenden werden die einzelnen Elemente meiner Schaltung erläutert sowie mit den orignalen verglichen.
Eingangsverstärkung
Um ein schwaches MC-Signal aufzupeppeln bedarf es extrem guten Rauschverhaltens. Die generellen Angaben Hersteller der Operationsverstärker gaben im Allgemeinen die Performance im idealen Zustand an. Es muss also genau geschaut werden, bei welchen Eingangsimpedanzen, Eingangsspannungen und Verstärkungsgraden welches Rauschverhalten herrscht. Je nach Beschaltung und Impedanz des RIAA-Netzwerkes müssen noch andere Kniffe beachtet werde, wie die Erhöhung oder Begrenzung der Bandbreite, Verzerrungskompensation etc. Prinzipiell geeignet sind: Analog Devices (AD) SSM2017, AD SSM2019, Burr Brown (BB) INA217, THAT1510 (Alle pinkompatibel zu SSM2017), AD AD797, Linear Technology (LT) LT1028 und LT LT1115.
Im Lehmann Audio Silver Cube steckt der selbe wie im Black Cube: Analog Devices SSM2017. Nach des SSM2017 Abkündigung verwendete Lehmann Audio zwischenzeitlich SSM2019, seit 2006 zumindest im BlackCube den THAT1510.
Entzerrung
Nach der ersten Verstärkerstufe kommt das passive RIAA-Entzerrernetzwerk. Da die erste Verstärkungsstufe mit sehr großem Gain arbeitetentsteht ein Gleichspannungsanteil im Signal, der nicht gewünscht ist. Das klassische RIAA-Netzwerk muss um einen Gleichstrom-Entkoppel-Kondensator erweitert werden, welcher in Kombination mit dem abschließenden Shuntwiderstand zugleich als Subsonicfilter agieren kann. Während ein Subsonicfilter früher sicher seine Berechtigung hatte sollte es bei aktuellen Plattenspielern nicht nötig sein. Es empfiehlt sich die Eckfrequenz Fg (-3 dB) auf 3 bis 5 Hz zu legen, da dann Phasendreher und ähnliche Beeinflussungen auch über die Eckfrequenz hinaus nicht bis in den Hörbereich kommen. Ein Subsonicfilter mit fg=20 Hz beeinflusst auch bei 50 bis 80 Hz noch das Signal. (Online-Berechnung siehe Stückliste weiter unten)
Die Schwierigkeit beim Berechnen und Festlegen der Bauteilwerte besteht darin, die (erhältlichen) Standardgrößen der Bauteile aufeinander abzustimmen. Für die RIAA-Entzerrung kommen nur hochwertige Folientypen in Frage. Als optimal gelten hier KP-Typen. Das Dielektrikum besteht bei KP-Kondensatoren aus Polypropylen. Bei MKP-Typen, die zu Not als Alternative in Frage kommen, besteht das Dielektrikum aus metallisiertem Film.
In meiner aktuellen Version sind die Filterkondensatoren EMZ oder Röderstein KP. Lehmann Audio verwendete im Black Cube zunächst auch WIMA MKS (=MKT, Polyethylen), seit ca. 2006 (Epcos?) MKP. Im Silver Cube stecken Mundorf Polypropylen-Zinnfolie-Kondensatoren (KP-SN).
Bei der Berechnung der Widerstandwerte (siehe Stückliste weiter unten) muss die Ausgangsimpedanz der treibenden Stufe einbezogen werden. In diesem Fall ist dies der SSM2019, dessen Ausgangsimpedanz quasi Null ist:

Aus dem SSM2019 Datenblatt
Ausgangsverstärkung
Für den Ausgangsverstärker kommt ein Operationsverstärker mit FET-Eingang in Frage. Hochwertige Typen sind hier BB OPA627, BB OPA637, etwas preiswerter BB OPA604 und OPA134 bzw. deren Dualtypen OPA2604 und OPA2134 sowie viele andere verschiedener Hersteller. Hier kann man (fast) frei nach Geschmack wählen. Die genannten Typen werden in verschiedenen erfolgreichen kommerziellen Produkten verbaut.
Einige Phonostufen haben am Ausgang einen so genannten Puffer, um die Bandbreite zu erweitern oder den Einfluss der Kabelkapazität zu unterdrücken. Ob dies notwendig ist, hängt vom verwendeten Ausgangsoperationsverstärker und dessen Beschaltung ab. Prinzipiell sollten alle unnötigen Teile vermieden werden, so auch hier.
Im Black Cube steckte zunächst ein Burr BRown OPA2604, später ein OPA604; im Silver Cube zusätzlich eine gegenkopplungsfreie MosFET-Ausgangsstufe.
Zusammenspiel
Bei nichtinvertierter Beschaltung (was hier der Fall ist) sollten die beiden Eingänge der Operationsverstärker die gleichen Impedanzen “sehen”, um Verzerrungen zu vermeiden. Dies hat Einfluss auf die Gestaltung des Feedbackzweiges, der die Verstärkung bestimmt. Hier gilt auch: je höher die Werte der Widerstände, desto größer deren thermisches Rauschen, was bei diesem zierliche Eingangssignal durchaus eine Rolle spielen kann. Da die Impedanz des RIAA-Netzwerkes über den Frequenzverlauf stark variiert (siehe www.klaus-boening.de) werden den beiden Eingangen des zweiten Operationsverstärkers direkt zwei Widerstände vorgeschaltet. Diese haben keinerlei Einfluss auf die Entzerrung.
Update: das hatte ich in früheren versionen gemacht; jetzt habe ich getreu dem Motto »keep it simple« darauf verzichtet – in der Hoffnung, dass die negativen Auswirkungen im esotherischen Bereich sind.
Layout
Das Leiterplattenlayout ist für das Ergebnis sehr wichtig. Es wurde und wird immer wieder darauf hingewiesen, dass das (klangliche) Ergebnis nicht allein durch Schaltung und Komponenten bestimmt wird – und das kann ich bestätigen! Lehmann verwendet den Top-Layer als “karierte” Massefläche, die der Abschirmung dienen soll. …. folgt….
Kompromiss
An den genannten Fakten lässt sich schon erkennen, dass man keine Phonostufe bauen kann, die mit MC- und MM-Systemen gleichermaßen gut zurecht kommt. Die genannten rauscharmen Operationsverstärker liefern bei MM-Systemen nicht die gleiche Performance wie bei MC-Systemen; die Impedanzen der verschiedenen Tonabnehmersysteme unterscheiden sich erheblich.
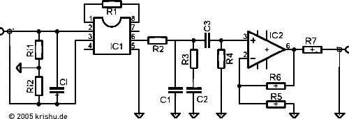
Die Schaltung

In der aktuellen Version ist die Schaltung »entschlackt«; nicht abgebildet ist die komplette Spannugsversorgung.
Stückliste mit Online-Berechnung der Werte
Hier sind empfohlene Werte aufgelistet, die sich entsprechend vorhandener Bauteile neu berechnen lassen. Sinnvolle Grenzen werden durch den Rechner nicht vorgegeben, sollten aber beachtet werden, um insbesondere die Gesamtimpedanz des RIAA-Netzwerks in einen vernünftigen Rahmen zu halten.
IC1=Analog Devices SSM2019
IC2=Burr Brown OPA627
Ri1=Ri2=50ohm
Ci=100pF
Die Darstellung der gesamten Schaltung einschließlich Spannungsversorgung und Platinenlayout wird in den nächsten Wochen folgen.
Toleranzen

Die Simulation (durchgeführt mit idealen Operationsverstärkern nach Schaltung Beispiel 1) des zeigt einen sehr gleichmäßigen Frequenzverlauf, der bei 30Hz eine Abweichung von nur 0.1dB aufweist. Das setzt die Verfügbarkeit der errechneten Werte voraus. Das ist durch Selektion der Bauteile, die ja üblicherweise mit Toleranzen von 0.1% bis 20% verkauft werden.

Mit den Normwerten, die den errechneten am nächsten liegen sieht die Kurve dann so aus … Abweichungen von ca. einem halben Dezibel. Diese sind – besonders im Bassbereich – völlig zu vernachlässigen.
Literatur
www.users.gl…valveamp/ > “read it” RIAA cap calc
http://www.geocities.com/rjm003.geo/rjmaudio/…
http://www.tnt-audio.com/clinica/solidphono_e.html very similar to Lehmann Audio Black Cube, nice power supply design
Fußnote
*Eigentlich stand hier mal “Krabbelkäfer”, von einem aufmerksamen Mitbürger (Ulf O.) wurde ich darauf aufmerksam gemacht, dass diese im Allgemeinen nur sechs Beine haben, in diesem Fall aber acht derer auftreten und es sich somit um Spinnen handeln müsse.
Ähnliche Artikel
- Heed Quasar Clone
2006 verirrte sich ein Heed Quasar in unser trautes Heim. Hätte ich andere Geräte sofort verschlimmbessert, war das in diesem Fall nicht so (will heißen: ich war zufrieden damit). Allerdings ergab es sich dann, dass ich den Quasar gern in ein anderes Gehäuse integriert hätte. Doch so ein schönes Gerät verbastelt man nicht. So habe... - Pass Labs Xono Clone
Einen echten Bedarf hatte ich eigentlich nicht dafür, jedoch drängten sich die von Nagard sehr sorgfältig entworfenen und professionell gefertigten Platinen der Pass Labs (x) ono clone Phonostufe irgendwie auf meinen überfüllten Basteltisch. Diese Phonostufe ist ein echtes Bauteilegrab — und kostet deshalb auch im Selbstbau ein wenig Geld, wenn auch keine € 8.000. Sowohl... - Cygnus Atratus
Intro Achtung: extrem verschachtelte Sätze: Beim Konzipieren meines »Lehmann-Clones« (siehe oben) habe ich einfach allen Niederschriften geglaubt: »passive RIAA-Entzerrung klingt besser als aktive.« Doch gibt es auch die Idee: »bei getrennter RIAA-Entzerrung kann man mehr beeinflussen.« Und das natürlich auch zum Guten. Da aber zudem die Prämisse gilt, alle unnötigen aktiven (und auch passiven, wenn’s... - Steinmusic Phono MM
Diese Phonostufe habe ich lediglich gebaut, um den Steinmusic Röhrenvorverstärker zu komplettieren. Verwendet habe ich – neben der Schaltung von Holger Stein (veröffentlicht 1993 in Klang&Ton) drei PCC88, die zuvor in den Stein-Endstufen steckten (also sozusagen “Original Steinmusic Röhren”) diverse “NOS” Folienkondensatoren von ERO Röderstein (MKP und KP für die Signale, MKT für die... - Amazon/Cello Clone
Nachdem mein erster Selbstbau-Dreher einfach nur hässlich war, habe ich versucht, aus den relevanten Teilen mit etwas mehr Finanzeinsatz für die Zarge ein ansehnlicheres Exemplar zu schaffen. Pate standen dafür sowohl der Scheu Cello als auch die hübschen Dreher von Amazon. beide haben die kernkomponenten gemeinsam, diese habe auch ich verwendet. Die Amazon-Dreher harmonieren (optisch...